P2101 Throttle Actuator Control Motor Circuit Range Performance

P2101 2006 Ford Fusion Throttle Actuator Control Motor Circuit Range Performance

P2101 2006 Ford Fusion Throttle Actuator Control Motor Circuit Range Performance

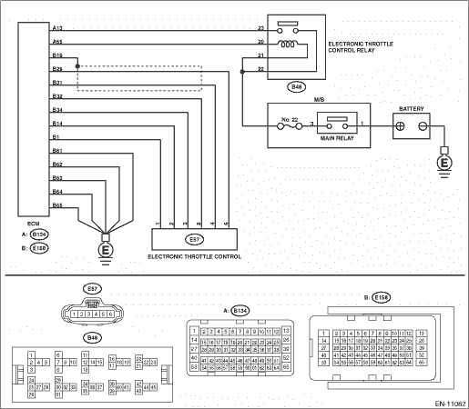
Subaru Crosstrek Service Manual Dtc P2101 Throttle Actuator A Control Motor Circuit Range Performance Diagnostic Procedure With Diagnostic Trouble Code Dtc

Subaru Crosstrek Service Manual Dtc P2101 Throttle Actuator A Control Motor Circuit Range Performance Diagnostic Procedure With Diagnostic Trouble Code Dtc

Vpecker Code P2101 Throttle Actuator Control Motor Youtube

Vpecker Code P2101 Throttle Actuator Control Motor Youtube

P2101 Throttle Actuator Control Tac Motor Range Performance Problem Troublecodes Net

P2101 Throttle Actuator Control Tac Motor Range Performance Problem Troublecodes Net

P2101 Code Throttle Actuator A Control Motor Circuit Range Performance In The Garage With Carparts Com

P2101 Code Throttle Actuator A Control Motor Circuit Range Performance In The Garage With Carparts Com

Subaru Legacy Service Manual Dtc P2101 Throttle Actuator A Control Motor Circuit Range Performance Diagnostic Procedure With Diagnostic Trouble Code Dtc

Subaru Legacy Service Manual Dtc P2101 Throttle Actuator A Control Motor Circuit Range Performance Diagnostic Procedure With Diagnostic Trouble Code Dtc

Subaru Legacy Service Manual Dtc P2101 Throttle Actuator A Control Motor Circuit Range Performance Diagnostic Procedure With Diagnostic Trouble Code Dtc

This generic powertrain diagnostic trouble code dtc typically applies to all obd ii equipped vehicles that use a drive by wire throttle control system including but not limited to vehicles from toyota honda hyundai lexus volvo scion nissan kia etc.

P2101 throttle actuator control motor circuit range performance.

P2101 is typically set because of electrical ta a circuit issues but can be caused by mechanical issues such as a mechanically stuck throttle blade on the electrically driven throttle actuator. P2101 ford description the electronic throttle actuator control tac is a dc motor controlled by the powertrain control module. This can happen for multiple reasons and a mechanic needs to diagnose the specific cause for this code to be triggered in your situation. P2101 description the throttle actuator is operated by the engine control module ecm and it opens and closes the throttle valve.

Both electrical and mechanical issues cannot be overlooked in the troubleshooting stage especially when dealing with an intermittent problem. Power supply for the throttle control. The motor housing is integrated into the main housing. P2101 is a diagnostic trouble code dtc for throttle actuator control motor circuit range performance.

This error code is a generic trouble code meaning it applies to all. How to repair p2101 code throttle actuator a control motor circuit range performance the throttle actuator is operated by the engine control module ecm and it opens and closes the throttle valve. Obd ii code p2101 is defined as a throttle actuator a control motor circuit range performance the electronic throttle control system etcs controls the throttle valve opening. What does that mean.

The parallel design has the motor under the bore parallel to the plate shaft. When the driver presses the accelerator pedal the accelerator pedal position sensor app sends a signal to the engine s control module pcm telling the pcm how much. Power supply for the throttle control motor is provided to the ecm via the throttle control motor relay.

13b Dtc P0638 Throttle Actuator Control Motor Circuit Range Performance Problem

13b Dtc P0638 Throttle Actuator Control Motor Circuit Range Performance Problem

P2101 Throttle Actuator Control Circuit Range Performance Youtube

P2101 Throttle Actuator Control Circuit Range Performance Youtube

P2101 Throttle Actuator A Control Motor Circuit Range Performance Obd Advisor

P2101 Throttle Actuator A Control Motor Circuit Range Performance Obd Advisor

How Throttle Actuators Work Explained In Under 5 Minutes

How Throttle Actuators Work Explained In Under 5 Minutes

Check Eng P2101 And P2135 Need Help Cobalt Ss Network

Check Eng P2101 And P2135 Need Help Cobalt Ss Network

P2101 Ford Throttle Actuator Control Motor Circuit Range Performance

P2101 Ford Throttle Actuator Control Motor Circuit Range Performance

Nissan Sentra Service Manual P2101 Electric Throttle Control Function Dtc Circuit Diagnosis Engine Control System Engine

Nissan Sentra Service Manual P2101 Electric Throttle Control Function Dtc Circuit Diagnosis Engine Control System Engine

Aura Outlook 2007 Throttle Actuator Control System Repair Guide Autozone

Aura Outlook 2007 Throttle Actuator Control System Repair Guide Autozone

Partsavatar Ca Obd Error Code P2101 Solution

Partsavatar Ca Obd Error Code P2101 Solution

Throttle Actuator Issue Tdiclub Forums

Throttle Actuator Issue Tdiclub Forums

P2118 2009 Honda Accord Throttle Actuator Control Motor Current Range Performance

P2118 2009 Honda Accord Throttle Actuator Control Motor Current Range Performance

2014 Nissan Sentra Throttle Code P2101 Mechanicadvice

2014 Nissan Sentra Throttle Code P2101 Mechanicadvice

Dtc P2101 00 Pcm Skyactiv G 2 0 2016 Nd Shop Manual

Dtc P2101 00 Pcm Skyactiv G 2 0 2016 Nd Shop Manual

Diy Nissan Gtr P2101 Quicktips Youtube

Diy Nissan Gtr P2101 Quicktips Youtube

Partsavatar Ca Check Obd Engine Error Code P2102

Partsavatar Ca Check Obd Engine Error Code P2102

How To Fix Error Code P2118 Easy Throttle Actuator Control Motor Current Range Performance Youtube

How To Fix Error Code P2118 Easy Throttle Actuator Control Motor Current Range Performance Youtube

P2101 Hummer Throttle Actuator Position Performance

P2101 Hummer Throttle Actuator Position Performance

P2111 Throttle Actuator Control Tac System Actuator Stuck Open Troublecodes Net

P2111 Throttle Actuator Control Tac System Actuator Stuck Open Troublecodes Net

Https Encrypted Tbn0 Gstatic Com Images Q Tbn 3aand9gctwdxdpydm L69qdxqzzibhyjozfxsymwbdkpfn8j6upfogy4bx Usqp Cau

Https Encrypted Tbn0 Gstatic Com Images Q Tbn 3aand9gctwdxdpydm L69qdxqzzibhyjozfxsymwbdkpfn8j6upfogy4bx Usqp Cau

Chevrolet Aveo Won T Start Codes P0340 P2106 P2110 P2101 Motor Vehicle Maintenance Repair Stack Exchange

Chevrolet Aveo Won T Start Codes P0340 P2106 P2110 P2101 Motor Vehicle Maintenance Repair Stack Exchange

Nissan Micra Forum Canada Us K13

Nissan Micra Forum Canada Us K13

Electronic Throttle Bodies Jas Oceania Auto Electrical Products

Electronic Throttle Bodies Jas Oceania Auto Electrical Products

P2101 Saturn Throttle Actuator Position Performance

P2101 Saturn Throttle Actuator Position Performance

P2103 Obd Ii Trouble Code Throttle Actuator Control Motor Circuit High

P2103 Obd Ii Trouble Code Throttle Actuator Control Motor Circuit High

Source : pinterest.com