P2102 Throttle Actuator Control Motor Circuit Low

P2102 2007 Toyota Prius Throttle Actuator Control Motor Circuit Low

P2102 2007 Toyota Prius Throttle Actuator Control Motor Circuit Low

P2102 2011 Toyota Camry Throttle Actuator Control Motor Circuit Low

P2102 2011 Toyota Camry Throttle Actuator Control Motor Circuit Low

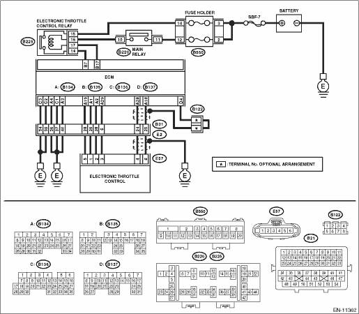
Subaru Crosstrek Service Manual Dtc P2102 Throttle Actuator A Control Motor Circuit Low Diagnostic Procedure With Diagnostic Trouble Code Dtc

Subaru Crosstrek Service Manual Dtc P2102 Throttle Actuator A Control Motor Circuit Low Diagnostic Procedure With Diagnostic Trouble Code Dtc

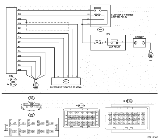
Subaru Legacy Service Manual Dtc P2102 Throttle Actuator A Control Motor Circuit Low Diagnostic Procedure With Diagnostic Trouble Code Dtc

Subaru Legacy Service Manual Dtc P2102 Throttle Actuator A Control Motor Circuit Low Diagnostic Procedure With Diagnostic Trouble Code Dtc

Toyota Sienna Service Manual Throttle Actuator Control Motor Circuit Diagnostic Trouble Code Chart Sfi System 2gr Fe Engine Control System

Toyota Sienna Service Manual Throttle Actuator Control Motor Circuit Diagnostic Trouble Code Chart Sfi System 2gr Fe Engine Control System

Dtc P2102 Throttle Actuator Control Motor Circuit Low Dtc P2103

Dtc P2102 Throttle Actuator Control Motor Circuit Low Dtc P2103

Dtc P2102 Throttle Actuator Control Motor Circuit Low Dtc P2103

Related throttle actuator a control motor circuit codes.

P2102 throttle actuator control motor circuit low.

Because this is usually an electrical failure the pcm cannot fully. The throttle control motor relay is on off controlled by the ecm. Severity is usually severe due to its impact on the cooling system. P2102 toyota ase powertrain fuel and air metering trouble code description.

P2102 toyota throttle actuator control motor circuit low. P2101 throttle actuator a control motor circuit range performance. P2102 description the throttle actuator is operated by the engine control module ecm and it opens and closes the throttle valve. P2102 meaning the throttle actuator is operated by the engine control module ecm and it opens and closes the throttle valve.

P2100 throttle actuator a control motor circuit open. The throttle control motor relay is on off controlled by the ecm. What does that mean. P2102 throttle actuator a control motor circuit low.

P2103 throttle actuator a control motor circuit high. Partial compensation usually means that. Power supply for the throttle control motor is provided to the ecm via throttle control motor relay. Throttle actuator a control motor circuit low.

P2101 throttle actuator a control motor circuit range performance. Power supply for the throttle control motor is provided to the ecm via throttle control motor relay. P2102 toyota throttle actuator control motor circuit low. P2102 toyota meaning the throttle actuator is operated by the engine control module ecm and it opens and closes the throttle valve.

When the pcm receives the input it will change the signals to the throttle actuator. This generic powertrain engine diagnostic trouble code typically applies to all obdii equipped engines with electric throttle actuators but shows up more often in certain ford and nissan vehicles. Severity is usually severe due to its impact on the cooling system. Code severity symptoms.

P2102 throttle actuator a control motor circuit low. P2103 throttle actuator a control motor circuit high. Power supply for the throttle control motor is provided to the ecm via the throttle control motor relay. Code severity symptoms.

End of range circuit lower than. P2102 toyota description the throttle actuator is operated by the engine control module ecm and it opens and closes the throttle valve. Code severity symptoms. Because this is usually an electrical failure the pcm cannot fully compensate for it.

Throttle actuator control motor circuit low. This code means the pcm has determined that the tac throttle actuator control went out of range of their circuit causing an open circuit condition detected in the tac motor.

Partsavatar Ca Check Obd Engine Error Code P2102

Partsavatar Ca Check Obd Engine Error Code P2102

Throtte Actuator Control Motor Fault On Cr170 Skoda Octavia Mk Ii 2004 2013 Briskoda

Throtte Actuator Control Motor Fault On Cr170 Skoda Octavia Mk Ii 2004 2013 Briskoda

Dtc P2102 Throttle Actuator Control Motor Circuit Low P2103 Manualzz

Dtc P2102 Throttle Actuator Control Motor Circuit Low P2103 Manualzz

Throttle Body Inlet Manifold Flap P2100 P2101 P2102 Error Remedy Audi Sport Net

Throttle Body Inlet Manifold Flap P2100 P2101 P2102 Error Remedy Audi Sport Net

Toyota Aqua Throttle Fault Solution Dtc P2102 Car Tipx Urdu Hindi Youtube

Toyota Aqua Throttle Fault Solution Dtc P2102 Car Tipx Urdu Hindi Youtube

P2102 Scion Throttle Actuator Control Motor Circuit Low

P2102 Scion Throttle Actuator Control Motor Circuit Low

P2102 Toyota Throttle Actuator Control Motor Circuit Low

P2102 Toyota Throttle Actuator Control Motor Circuit Low

Toyota Rav4 Service Manual Throttle Actuator Control Motor Circuit Diagnostic Trouble Code Chart Sfi System 2az Fe Engine Mechanical

Toyota Rav4 Service Manual Throttle Actuator Control Motor Circuit Diagnostic Trouble Code Chart Sfi System 2az Fe Engine Mechanical

P2103 Priuschat

P2103 Priuschat

Www Alflash Com Ua View Topic Subaru Forester With Dtc P2102

Www Alflash Com Ua View Topic Subaru Forester With Dtc P2102

P2102 P2103

P2102 P2103

Techdoc

Techdoc

Vpecker Code P2101 Throttle Actuator Control Motor Youtube

Vpecker Code P2101 Throttle Actuator Control Motor Youtube

How Throttle Actuators Work Explained In Under 5 Minutes

How Throttle Actuators Work Explained In Under 5 Minutes

Gsic Global Service Information Center

Gsic Global Service Information Center

P2101 2007 Ford Fusion Throttle Actuator Control Motor Circuit Range Performance

P2101 2007 Ford Fusion Throttle Actuator Control Motor Circuit Range Performance

P2102 Code Meaning Causes Symptoms Tech Notes

P2102 Code Meaning Causes Symptoms Tech Notes

P2102 P2103

P2102 P2103

Https Encrypted Tbn0 Gstatic Com Images Q Tbn 3aand9gcsfrx1sr 9mskr0ictwu35hzfmal0nentfkykisq4fz0ctzvhdx Usqp Cau

Https Encrypted Tbn0 Gstatic Com Images Q Tbn 3aand9gcsfrx1sr 9mskr0ictwu35hzfmal0nentfkykisq4fz0ctzvhdx Usqp Cau

Suzuki Grand Vitara Jb627 Manual Part 50

Suzuki Grand Vitara Jb627 Manual Part 50

Throttle Actuator Control Throttle Body Range Dtc P2119 Performance Manualzz

Throttle Actuator Control Throttle Body Range Dtc P2119 Performance Manualzz

Toyota Sienna Service Manual Throttle Actuator Control Motor Circuit Diagnostic Trouble Code Chart Sfi System 2gr Fe Engine Control System Engine

Toyota Sienna Service Manual Throttle Actuator Control Motor Circuit Diagnostic Trouble Code Chart Sfi System 2gr Fe Engine Control System Engine

Toyota Avalon Service Repair Manual Throttle Actuator A Control Motor Circuit Short To Ground Or Open P210014 P210015 Sfi System

Toyota Avalon Service Repair Manual Throttle Actuator A Control Motor Circuit Short To Ground Or Open P210014 P210015 Sfi System

Codigo P2102 Todas Las Marcas Sintomas Y Posibles Soluciones

Codigo P2102 Todas Las Marcas Sintomas Y Posibles Soluciones

Source : pinterest.com