P2103 Throttle Actuator Control Motor Circuit High

P2103 2009 Toyota Prius Throttle Actuator Control Motor Circuit High

P2103 2009 Toyota Prius Throttle Actuator Control Motor Circuit High

P2103 2007 Toyota Camry Throttle Actuator Control Motor Circuit High

P2103 2007 Toyota Camry Throttle Actuator Control Motor Circuit High

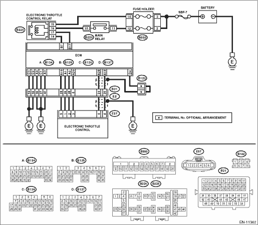
Subaru Crosstrek Service Manual Dtc P2103 Throttle Actuator A Control Motor Circuit High Diagnostic Procedure With Diagnostic Trouble Code Dtc

Subaru Crosstrek Service Manual Dtc P2103 Throttle Actuator A Control Motor Circuit High Diagnostic Procedure With Diagnostic Trouble Code Dtc

Subaru Legacy Service Manual Dtc P2103 Throttle Actuator A Control Motor Circuit High Diagnostic Procedure With Diagnostic Trouble Code Dtc

Subaru Legacy Service Manual Dtc P2103 Throttle Actuator A Control Motor Circuit High Diagnostic Procedure With Diagnostic Trouble Code Dtc

Toyota Sienna Service Manual Throttle Actuator Control Motor Circuit Diagnostic Trouble Code Chart Sfi System 2gr Fe Engine Control System

Toyota Sienna Service Manual Throttle Actuator Control Motor Circuit Diagnostic Trouble Code Chart Sfi System 2gr Fe Engine Control System

P2103 Priuschat

P2103 Priuschat

P2103 Priuschat

P2103 throttle actuator a control motor circuit high.

P2103 throttle actuator control motor circuit high.

P2100 throttle actuator a control motor circuit open. P2102 throttle actuator a control motor circuit low. This can happen for multiple reasons and a mechanic needs to diagnose the specific cause for this code to be triggered in your situation. P2103 is a diagnostic trouble code dtc for throttle actuator control motor circuit high.

Obd ii code p2103 is defined as a throttle actuator a control motor circuit high. Power supply for the throttle control motor is provided to the ecm via throttle control motor relay. P2101 meaning the throttle actuator is operated by the engine control module ecm and it opens and closes the throttle valve. Categories nissan tags p2103 post navigation.

When the pcm receives the input it will change the signals to the throttle actuator. What does that mean. This code means the pcm has determined that the tac throttle actuator control went out of range of their circuit causing an open circuit condition detected in the tac motor. The throttle control motor relay is on off controlled by the ecm.

P2103 toyota description the throttle actuator is operated by the engine control module ecm and it opens and closes the throttle valve. Throttle actuator a control motor circuit high. Nissan p2103 throttle actuator control motor circuit high. Related throttle actuator a control motor circuit codes.

The throttle motor is controlled by the engine computer pcm. Power supply for the throttle control motor is provided to the ecm via throttle control motor relay. Nissan p2101 throttle actuator control motor circuit range performance. Obd ii trouble code description for p2103 nissan.

Severity is usually severe due to its impact on the cooling system. The throttle motor opens and closes the throttle plate allowing more or less air to flow through the engine based on the driver s request for power. This generic powertrain engine diagnostic trouble code typically applies to all obdii equipped engines with electric throttle actuators but shows up more often in certain ford and nissan vehicles. Code severity symptoms.

The throttle control motor relay is on off controlled by the ecm.

P2103 2010 Nissan Rogue Throttle Control Motor Relay Circuit Short

P2103 2010 Nissan Rogue Throttle Control Motor Relay Circuit Short

Partsavatar Ca Diagnostic Trouble Obd Code P2103

Partsavatar Ca Diagnostic Trouble Obd Code P2103

P2103 2009 Nissan Pathfinder Throttle Control Motor Relay Circuit Short

P2103 2009 Nissan Pathfinder Throttle Control Motor Relay Circuit Short

P2103 2010 Nissan Altima Sedan Throttle Control Motor Relay Circuit Short

P2103 2010 Nissan Altima Sedan Throttle Control Motor Relay Circuit Short

Toyota Tacoma Check Engine Light Codes P2103 P2111 Fix Youtube

Toyota Tacoma Check Engine Light Codes P2103 P2111 Fix Youtube

Throtte Actuator Control Motor Fault On Cr170 Skoda Octavia Mk Ii 2004 2013 Briskoda

Throtte Actuator Control Motor Fault On Cr170 Skoda Octavia Mk Ii 2004 2013 Briskoda

P2102 P2103

P2102 P2103

P2103 Lexus Throttle Actuator Control Motor Circuit High

P2103 Lexus Throttle Actuator Control Motor Circuit High

Dtc P2102 Throttle Actuator Control Motor Circuit Low Dtc P2103

Dtc P2102 Throttle Actuator Control Motor Circuit Low Dtc P2103

P2102 P2103

P2102 P2103

Dtc P2102 Throttle Actuator Control Motor Circuit Low P2103 Manualzz

Dtc P2102 Throttle Actuator Control Motor Circuit Low P2103 Manualzz

Error Fault Code P2103 Cleared Itself Rennlist Porsche Discussion Forums

Error Fault Code P2103 Cleared Itself Rennlist Porsche Discussion Forums

Toyota Rav4 Service Manual Throttle Actuator Control Motor Circuit Diagnostic Trouble Code Chart Sfi System 2az Fe Engine Mechanical

Toyota Rav4 Service Manual Throttle Actuator Control Motor Circuit Diagnostic Trouble Code Chart Sfi System 2az Fe Engine Mechanical

Toyota Sienna Service Manual Throttle Actuator Control Motor Circuit Diagnostic Trouble Code Chart Sfi System 2gr Fe Engine Control System Engine

Toyota Sienna Service Manual Throttle Actuator Control Motor Circuit Diagnostic Trouble Code Chart Sfi System 2gr Fe Engine Control System Engine

P2103 Infiniti Throttle Control Motor Relay Circuit Short

P2103 Infiniti Throttle Control Motor Relay Circuit Short

Techdoc

Techdoc

Jeep Cherokee Code P2100 P02101 P02102 P02103 Engine Light On Fix Youtube

Jeep Cherokee Code P2100 P02101 P02102 P02103 Engine Light On Fix Youtube

Gsic Global Service Information Center

Gsic Global Service Information Center

Https Encrypted Tbn0 Gstatic Com Images Q Tbn 3aand9gcsfrx1sr 9mskr0ictwu35hzfmal0nentfkykisq4fz0ctzvhdx Usqp Cau

Https Encrypted Tbn0 Gstatic Com Images Q Tbn 3aand9gcsfrx1sr 9mskr0ictwu35hzfmal0nentfkykisq4fz0ctzvhdx Usqp Cau

Sfi System 3mz Fe Dtc P2102 Throttle P2102 Throttle Actuator Control Motor Circuit Low 2005 Highlander Repair Manual Rm1144u Inspection Procedure Ng Repair Or Replace

Sfi System 3mz Fe Dtc P2102 Throttle P2102 Throttle Actuator Control Motor Circuit Low 2005 Highlander Repair Manual Rm1144u Inspection Procedure Ng Repair Or Replace

Nissan Sentra Service Manual P2100 P2103 Throttle Control Motorrelay Dtc Circuit Diagnosis Engine Control System Engine

Nissan Sentra Service Manual P2100 P2103 Throttle Control Motorrelay Dtc Circuit Diagnosis Engine Control System Engine

P2103 Code Meaning Causes Symptoms Tech Notes

P2103 Code Meaning Causes Symptoms Tech Notes

How To Replace The Electronic Throttle Control Actuator Throttle Body In Nissan Xterra Youtube

How To Replace The Electronic Throttle Control Actuator Throttle Body In Nissan Xterra Youtube

P2111 Throttle Actuator Control Tac System Actuator Stuck Open Troublecodes Net

P2111 Throttle Actuator Control Tac System Actuator Stuck Open Troublecodes Net

Source : pinterest.com